Shenzhen Woer Electric Technology Co., Ltd

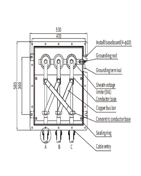
Cross Boudning Link Box

Cross bonding link box is used for cross inter connection of high-voltage single-core cable metal sheath, limiting over voltage applied to cable sheath and both insulated part ends of shield-break joint, controlling induced voltage on metal sheath, reducing or eliminating ring current on cable sheath, increasing transmission capacity of power cable, to ensure a safe operating for per cable.

Specification of Cross Boudning Link Box


Main Electrical Properties of Link Boxes

Test ItemTechnical Requirements
DC voltage withstand testNeither breakdown nor flashover shall occur at 20kV for 1 min
Impulse voltage testNeither breakdown nor flashover shall occur at 10 positive
and 10 negative impulse of 40kV (peak value)
Insulation resistance test between
copper bar and housing
Not less than 20MΩ
Contact resistance test
of copper bar
Not less than 20MΩ


Features of Cross Boudning Link Box

Design

1. Volume-small

2. Weight-light

3. Installation-easy and SVL removable

4. Used for cross interconnection of high-voltage single-core cable metal sheath

Materials

1. With stainless steel enclosure

2. Filled by resin inside

Request A Free Quote
WOER is ready to answer your questions about cable accessories, and inquires of our cable management solution.
Send us a message if you have any flow control questions or request a quote of valves, actuators or complete solutions. Our experts will give you a reply within 48 hours and help you select the right valve you want.
Call Us: +86-755-28299419
Address: Room 301, Building 6-1, Woer Industrial Plant, No. 53, Qingsong Road, Zhukeng Community, Longtian Street, Pingshan District, Shenzhen, China
Inquiry Online

Related Cable Accessories