Shenzhen Woer Electric Technology Co., Ltd

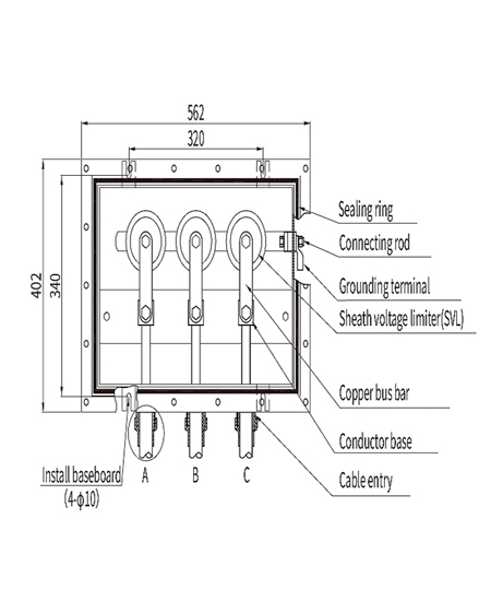
Link Box/Link Box with SVL

Link Box/ Link Box with SVL is used in systems where cables are directly grounded. They provide a low-impedance path to ground, preventing overvoltage and protecting against faults.

Specification of Link Box/Link Box with SVL


Main Electrical Properties of Link Boxes

Test ItemTechnical Requirements
DC voltage withstand testNeither breakdown nor flashover shall occur at 20kV for 1 min
Impulse voltage testNeither breakdown nor flashover shall occur at 10 positive
and 10 negative impulse of 40kV (peak value)
Insulation resistance test between
copper bar and housing
Not less than 20MΩ
Contact resistance test
of copper bar
Not less than 20MΩ


Main Electrical Properties of SVL

Test ItemBHQ-7/600BHQ-10/600
DC 1mA reference voltage4kV5.8kV
Rectangular wave capacity600A600A
Residual voltage ratioK≤2K≤2
Current capacity100kA100kA
Rated voltage2.8kV4kV
Residual voltage of nominal discharge≤7kV≤10kV


Features of Link Box/Link Box with SVL

Design

1. Volume-small

2. Weight-light

3. Installation-easy

Materials

1. With stainless steel enclosure.

2. Filled by resin inside, making it non-removable, fully sealed and theft-proof.

Request A Free Quote
WOER is ready to answer your questions about cable accessories, and inquires of our cable management solution.
Send us a message if you have any flow control questions or request a quote of valves, actuators or complete solutions. Our experts will give you a reply within 48 hours and help you select the right valve you want.
Call Us: +86-755-28299419
Address: Room 301, Building 6-1, Woer Industrial Plant, No. 53, Qingsong Road, Zhukeng Community, Longtian Street, Pingshan District, Shenzhen, China
Inquiry Online

Related Cable Accessories