Mar 12 2026
VIEW MORE
Made of semi-rigid flame-retarded polyolefin.
Used for strong mechanical protection, connector/cable strain relief, and complete environmental sealing.
This family of boots has no lip.
Provided with or without adhesive lining.
Standard colour: Black.
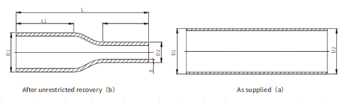
Z11 Heat Shrink Cable Straight Boot
| Product No. | Specification | D1 | D2 | L ±10% | L1 ±10% | L2 ±10% | δ ±20% | ||||
| As Supplied | After Recovered | Range Of Application | As Supplied | After Recovered | Range Of Application | ||||||
| Z1131 | 24/11-5.6 | 24 | 11.0 | 14.0-20.0 | 24 | 5.6 | 7.0-14.0 | 50 | 27 | 16 | 2.0 |
